Description
      
    
  Description
Galvanised Malleable Iron Pipe Fittings
STANDARD AND IDENTIFICATION:
- Standard for production and use EN 10242: 1994
 
- Fittings made of high-quality blackheart malleable cast iron to ASTM A-197, ASTM A47
 
THREADS:
- The threads are cut according to AS 1722.1 / ISO 7/1. Parallel internal thread (RP) and tapered external thread (R).
 
APPLICATION:
- All the fittings are adequate for the supply of water at the recommended maximum working pressure of 1379kPa and gas, steam, and compressed air at the recommended maximum working pressure of 1034 kPa.
 - Note: Working pressures may also be limited by relevant pressure piping codes or Industry regulations.
 
DIMENSIONS:
- All the fittings are manufactured to the speci?cations of standard BS EN 10242, BS 143, BS 1256
 
INSPECTION:
- All the fittings are inspected for conformity with the speci?cations of standard EN 10242.
 
MARKING:
- All the fittings, when possible, are marked with a brand and/or with the nominal size Identi?cation.
 
HOT DIP:
- The fittings are delivered in hot-dip galvanized ?nish, as prescribed by the standard EN 10242.
 
LEAK TEST:
- Applying the standard EN 10242 each individual ?tting is subjected to a pressure test with a min.
 - The hydrostatic pressure of 2068 kPa, which is equivalent to a pneumatic pressure of min. 500 kPa, without showing any sign of leakage or abnormality.
 
BRITISH STANDARD THREADS
All measurements in mm
NOMINAL BORE OF PIPE
APPROX. OUTSIDE DIAMETER
NUMBER OF THREADS PER INCH
PITCH
DEPTH OF THREADS
DIAMETER AT GAUGE PLANE
LENGTH OF USEFUL THREAD
IMPERIAL
METRIC
A
P
h
B
E
1/8
6
10.16
28
0.907
0.581
9.72
6.5
1/4
8
13.66
19
1.337
0.856
13.15
9.7
3/8
10
17.17
19
1.337
0.856
16.66
10.1
1/2
15
21.51
14
1.814
1.162
20.95
13.2
3/4
20
27
14
1.814
1.162
26.44
14.5
1
25
33.93
11
2.309
1.479
33.24
16.8
1-1/4
32
42.59
11
2.309
1.479
41.91
19.1
1-1/2
40
48.48
11
2.309
1.479
47.8
19.1
2
50
60.47
11
2.309
1.479
59.61
23.4
2/1/2
65
76.09
11
2.309
1.479
75.18
26.7
3
80
88.87
11
2.309
1.479
87.88
29.8
4
100
114.14
11
2.309
1.479
113.03
35.8
5
125
139.65
11
2.309
1.479
138.43
40.1
6
150
165.12
11
2.309
1.479
163.83
40.1
    
      
      
        Specifications
      
    
  Specifications
Specifications:
    
      
      
        Applications
      
    
  Applications
    
      
      
        Features & Benefits
      
    
  Features & Benefits
Your payment information is processed securely. We do not store credit card details nor have access to your credit card information.
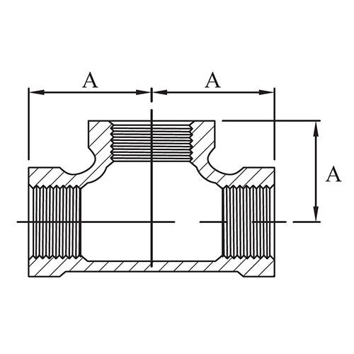
AAP Equal Tee Galvanised Malleable
AAP Equal Tee Galvanised Malleable
SKU: A0077066
Type: Equal Tee
- Wide Range
 - Reliable Services
 - Proven Trust
 
Available
The AAP Equal Tee Galvanised Malleable by AAP is a Equal Tee with a hot-dip galvanised finish to EN 10242. It provides a hydrostatic pressure resistance of 2068 kPa and is suitable for the supply of water in piping systems.
- FREE SHIPPING OVER $299*
 - RETURN AND EXCHANGE POLICY
 
Resources
Couldn't load pickup availability
    
      
      
        Description
      
    
  Description
Galvanised Malleable Iron Pipe Fittings
STANDARD AND IDENTIFICATION:
- Standard for production and use EN 10242: 1994
 
- Fittings made of high-quality blackheart malleable cast iron to ASTM A-197, ASTM A47
 
THREADS:
- The threads are cut according to AS 1722.1 / ISO 7/1. Parallel internal thread (RP) and tapered external thread (R).
 
APPLICATION:
- All the fittings are adequate for the supply of water at the recommended maximum working pressure of 1379kPa and gas, steam, and compressed air at the recommended maximum working pressure of 1034 kPa.
 - Note: Working pressures may also be limited by relevant pressure piping codes or Industry regulations.
 
DIMENSIONS:
- All the fittings are manufactured to the speci?cations of standard BS EN 10242, BS 143, BS 1256
 
INSPECTION:
- All the fittings are inspected for conformity with the speci?cations of standard EN 10242.
 
MARKING:
- All the fittings, when possible, are marked with a brand and/or with the nominal size Identi?cation.
 
HOT DIP:
- The fittings are delivered in hot-dip galvanized ?nish, as prescribed by the standard EN 10242.
 
LEAK TEST:
- Applying the standard EN 10242 each individual ?tting is subjected to a pressure test with a min.
 - The hydrostatic pressure of 2068 kPa, which is equivalent to a pneumatic pressure of min. 500 kPa, without showing any sign of leakage or abnormality.
 
BRITISH STANDARD THREADS
All measurements in mm
NOMINAL BORE OF PIPE
APPROX. OUTSIDE DIAMETER
NUMBER OF THREADS PER INCH
PITCH
DEPTH OF THREADS
DIAMETER AT GAUGE PLANE
LENGTH OF USEFUL THREAD
IMPERIAL
METRIC
A
P
h
B
E
1/8
6
10.16
28
0.907
0.581
9.72
6.5
1/4
8
13.66
19
1.337
0.856
13.15
9.7
3/8
10
17.17
19
1.337
0.856
16.66
10.1
1/2
15
21.51
14
1.814
1.162
20.95
13.2
3/4
20
27
14
1.814
1.162
26.44
14.5
1
25
33.93
11
2.309
1.479
33.24
16.8
1-1/4
32
42.59
11
2.309
1.479
41.91
19.1
1-1/2
40
48.48
11
2.309
1.479
47.8
19.1
2
50
60.47
11
2.309
1.479
59.61
23.4
2/1/2
65
76.09
11
2.309
1.479
75.18
26.7
3
80
88.87
11
2.309
1.479
87.88
29.8
4
100
114.14
11
2.309
1.479
113.03
35.8
5
125
139.65
11
2.309
1.479
138.43
40.1
6
150
165.12
11
2.309
1.479
163.83
40.1
    
      
      
        Specifications
      
    
  Specifications
Specifications:
    
      
      
        Applications
      
    
  Applications
    
      
      
        Features & Benefits
      
    
  Features & Benefits
Your payment information is processed securely. We do not store credit card details nor have access to your credit card information.
AAP Equal Tee Galvanised Malleable
Customer Service
Mon-Fri, 08:00-05:00pm
Call Us
(02) 9773-0122
Talk to a Sales Engineer
sales@aimsindustrial.com.au
Warehouse Address
Milperra NSW 2214, Australia
              Your cart
              
                (0)
               
            
            
          Your cart is currently empty.
Not sure where to start? Try these collections:
Order note
Estimate Shipping
Product Comparison
| Description | 
| Price | 
| Vendor | 
| Type | 
| Product variants | 
 
 | The AAP Equal Tee Galvanised Malleable by AAP is a Equal Tee with a hot-dip galvanised finish to EN 10242. It provides a hydrostatic pressure resistance of 2068 kPa and is suitable for the supply of water in piping systems.  | 
 Regular price
      
        From $1.47
       
  
    Sale price
    
      From $1.47
    
      Regular price
      
         
  
    Unit price
     
  
/per  
   | AAP | Equal Tee | 
      Thread & Pipe Size (inch)
       1/8",1/4",3/8",1/2",3/4",1",1-1/4",1-1/2",2",2-1/2",3",4",6" 
    
      Thread & Pipe Size (mm)
       6,8,10,15,20,25,32,40,50,65,80,100,150 
     | 
Choose your option
AAP Equal Tee Galvanised Malleable
AAP Equal Tee Galvanised Malleable
SKU: A0077066
Type: Equal Tee
Hurry up, only 16 items left in stock.
The AAP Equal Tee Galvanised Malleable by AAP is a Equal Tee with a hot-dip galvanised finish to EN 10242. It provides a hydrostatic pressure resistance of 2068 kPa and is suitable for the supply of water in piping systems.
- Choosing a selection results in a full page refresh.
 - Opens in a new window.
 

