Description
Description
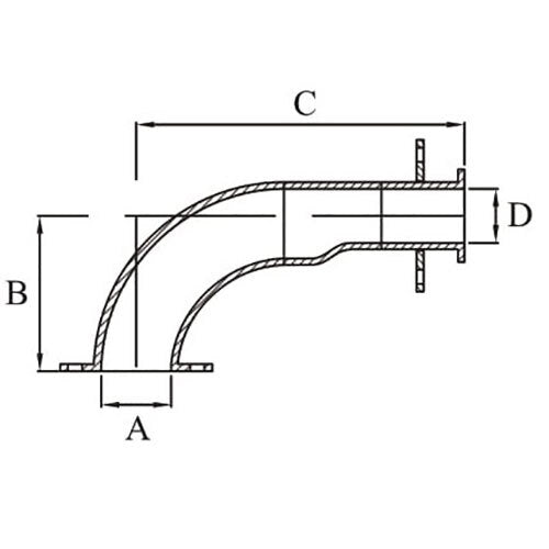
AAP Loose flange Reducing Elbow
Galvanised flanged Irrigation Fittings
WALL THICKNESS FOR Fittings
3" - 80mm
4" - 100mm
5" - 125mm
6" - 150mm
8" - 200mm
10" - 250mm
12" - 300mm
14" - 350mm
16" - 400mm
18" - 450mm
GENERAL PURPOSE - SGP
4.2mm
4.5mm
4.5mm
5.0mm
5.8mm
-
-
-
-
-
HEAVY DUTY - STD WGT
5.5mm
6.0mm
6.5mm
7.1mm
8.1mm
9.3mm
9.5mm
9.5mm
9.5mm
9.5mm
flange - TAB D
12mm
12mm
13mm
13mm
13mm
16mm
19mm
22mm
22mm
25mm
TABLE D flange BOLTING DETAILS
NUMBER OF HOLES
4
4
8
8
8
8
12
12
12
12
DIAMETER OF BOLT HOLES
18mm
18mm
18mm
18mm
18mm
22mm
22mm
26mm
26mm
26mm
FIXED flange FASTENER SIZE & THREAD
M16 x 45
M16 x 45
M16 x 45
M16 x 45
M16 x 50
M20 x 50
M20 x 50
M24 x 60
M24 x 60
M24 x 75
LOOSE flange FASTENER SIZE & THREAD
M16 x 60
M16 x 60
M16 x 60
M16 x 60
M16 x 65
M20 x 65
M20 x 65
M24 x 80
M24 x 80
M24 x 100
Specifications
Specifications
Material Specifications
Applications
Applications
Features & Benefits
Features & Benefits
Your payment information is processed securely. We do not store credit card details nor have access to your credit card information.
AAP Loose Flange Reducing Elbow
AAP Loose Flange Reducing Elbow
SKU: A0078000
Type: Flanged Elbow
- Wide Range
- Reliable Services
- Proven Trust
Available
The AAP Loose Flange Reducing Elbow by AAP is a galvanised Flanged Elbow, used in galvanised flanged irrigation fittings for water distribution. It provides 4.2mm to 9.5mm wall thickness and is suitable for Flanged Fittings.
- FREE SHIPPING OVER $299*
- RETURN AND EXCHANGE POLICY
Couldn't load pickup availability
Description
Description
AAP Loose flange Reducing Elbow
Galvanised flanged Irrigation Fittings
WALL THICKNESS FOR Fittings
3" - 80mm
4" - 100mm
5" - 125mm
6" - 150mm
8" - 200mm
10" - 250mm
12" - 300mm
14" - 350mm
16" - 400mm
18" - 450mm
GENERAL PURPOSE - SGP
4.2mm
4.5mm
4.5mm
5.0mm
5.8mm
-
-
-
-
-
HEAVY DUTY - STD WGT
5.5mm
6.0mm
6.5mm
7.1mm
8.1mm
9.3mm
9.5mm
9.5mm
9.5mm
9.5mm
flange - TAB D
12mm
12mm
13mm
13mm
13mm
16mm
19mm
22mm
22mm
25mm
TABLE D flange BOLTING DETAILS
NUMBER OF HOLES
4
4
8
8
8
8
12
12
12
12
DIAMETER OF BOLT HOLES
18mm
18mm
18mm
18mm
18mm
22mm
22mm
26mm
26mm
26mm
FIXED flange FASTENER SIZE & THREAD
M16 x 45
M16 x 45
M16 x 45
M16 x 45
M16 x 50
M20 x 50
M20 x 50
M24 x 60
M24 x 60
M24 x 75
LOOSE flange FASTENER SIZE & THREAD
M16 x 60
M16 x 60
M16 x 60
M16 x 60
M16 x 65
M20 x 65
M20 x 65
M24 x 80
M24 x 80
M24 x 100
Specifications
Specifications
Material Specifications
Applications
Applications
Features & Benefits
Features & Benefits
Your payment information is processed securely. We do not store credit card details nor have access to your credit card information.
AAP Loose Flange Reducing Elbow
Customer Service
Mon-Fri, 08:00-05:00pm
Call Us
(02) 9773-0122
Talk to a Sales Engineer
sales@aimsindustrial.com.au
Warehouse Address
Milperra NSW 2214, Australia
Your cart
(0)
Your cart is currently empty.
Not sure where to start? Try these collections:
Order note
Estimate Shipping
Product Comparison
| Description |
| Price |
| Vendor |
| Type |
| Product variants |
| The AAP Loose Flange Reducing Elbow by AAP is a galvanised Flanged Elbow, used in galvanised flanged irrigation fittings for water distribution. It provides 4.2mm to 9.5mm wall thickness and is suitable for Flanged Fittings. |
Regular price
From $299.07
Sale price
From $299.07
Regular price
Unit price
/per
| AAP | Flanged Elbow |
Pipe Size (inch)
3 x 1-1/2,3 x 2,3 x 2-1/2,4 x 2,4 x 2-1/2,4 x 3,5 x 3,5 x 4,6 x 2-1/2,6 x 3,6 x 4,6 x 5,8 x 4,8 x 5,8 x 6
Pipe Size (mm)
80 x 40,80 x 50,80 x 65,100 x 50,100 x 65,100 x 80,125 x 80,125 x 100,150 x 65,150 x 80,150 x 100,150 x 125,200 x 100,200 x 125,200 x 150
|
Choose your option
AAP Loose Flange Reducing Elbow
AAP Loose Flange Reducing Elbow
SKU: A0078000
Type: Flanged Elbow
Hurry up, only 16 items left in stock.
The AAP Loose Flange Reducing Elbow by AAP is a galvanised Flanged Elbow, used in galvanised flanged irrigation fittings for water distribution. It provides 4.2mm to 9.5mm wall thickness and is suitable for Flanged Fittings.
Spotlight picks (4)
Black Friday • Cyber Monday Sale: FIX
Save up to 60% sitewide on tools, PPE, workshop gear, and more
Black Friday • Cyber Monday Sale: BUILD
Save up to 60% sitewide on tools, PPE, workshop gear, and more
Black Friday • Cyber Monday Sale – CREATE
Save up to 60% sitewide on tools, PPE, workshop gear, and more
Black Friday • Cyber Monday Sale – MASTER
Save up to 60% sitewide on tools, PPE, workshop gear, and more
- Choosing a selection results in a full page refresh.
- Opens in a new window.

