Description
Description
Galvanised Malleable Iron Pipe Fittings
STANDARD AND IDENTIFICATION:
- Standard for production and use EN 10242: 1994
- Fittings made of high-quality blackheart malleable cast iron to ASTM A-197, ASTM A47
THREADS:
- The threads are cut according to AS 1722.1 / ISO 7/1. Parallel intefinal thread (RP) and tapered extefinal thread (R).
APPLICATION:
- All the Fittings are adequate for the supply of water at the recommended maximum working pressure of 1379kPa and gas, steam, and compressed air at the recommended maximum working pressure of 1034 kPa.
- Note: Working pressures may also be limited by relevant pressure piping codes or Industry regulations.
DIMENSIONS:
- All the Fittings are manufactured to the specifications of standard BS EN 10242, BS 143, BS 1256
INSPECTION:
- All the Fittings are inspected for conformity with the specifications of standard EN 10242.
MARKING:
- All the Fittings, when possible, are marked with a brand and/or with the nomfinal size Identification.
HOT DIP:
- The Fittings are delivered in hot-dip galvanized finish, as prescribed by the standard EN 10242.
LEAK TEST:
- Applying the standard EN 10242 each individual Fitting is subjected to a pressure test with a min.
- The hydrostatic pressure of 2068 kPa, which is equivalent to a pneumatic pressure of min. 500 kPa, without sflowing any sign of leakage or abnormality.
BRITISH STANDARD THREADS
All measurements in mm
NOMfinal BORE OF PIPE
APPROX. OUTSIDE DIAMETER
NUMBER OF THREADS PER INCH
PITCH
DEPTH OF THREADS
DIAMETER AT GAUGE PLANE
LENGTH OF USEFUL THREAD
IMPERIAL
METRIC
A
P
h
B
E
1/8
6
10.16
28
0.907
0.581
9.72
6.5
1/4
8
13.66
19
1.337
0.856
13.15
9.7
3/8
10
17.17
19
1.337
0.856
16.66
10.1
1/2
15
21.51
14
1.814
1.162
20.95
13.2
3/4
20
27
14
1.814
1.162
26.44
14.5
1
25
33.93
11
2.309
1.479
33.24
16.8
1-1/4
32
42.59
11
2.309
1.479
41.91
19.1
1-1/2
40
48.48
11
2.309
1.479
47.8
19.1
2
50
60.47
11
2.309
1.479
59.61
23.4
2/1/2
65
76.09
11
2.309
1.479
75.18
26.7
3
80
88.87
11
2.309
1.479
87.88
29.8
4
100
114.14
11
2.309
1.479
113.03
35.8
5
125
139.65
11
2.309
1.479
138.43
40.1
6
150
165.12
11
2.309
1.479
163.83
40.1
Specifications
Specifications
Specifications:
Applications
Applications
Features & Benefits
Features & Benefits
Your payment information is processed securely. We do not store credit card details nor have access to your credit card information.
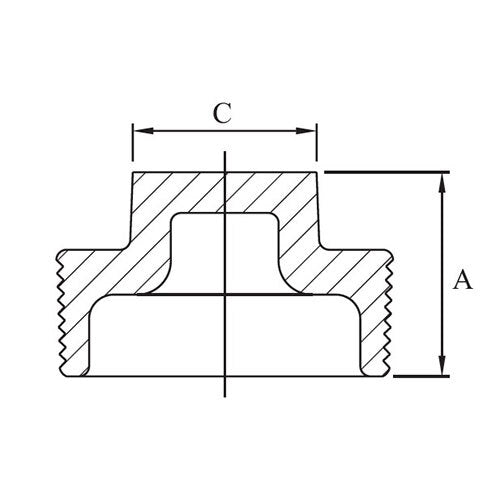
AAP Square Head Plug Galvanised Malleable
AAP Square Head Plug Galvanised Malleable
SKU: A0077004
Type: Square Head Plug
- Wide Range
- Reliable Services
- Proven Trust
Available
The AAP Square Head Plug Galvanised Malleable by AAP is a Square Head Plug with a hot-dip galvanised finish. It provides 1379kPa and is suitable for the supply of water at the recommended maximum working pressure.
- FREE SHIPPING OVER $299*
- RETURN AND EXCHANGE POLICY
Resources
Couldn't load pickup availability
Description
Description
Galvanised Malleable Iron Pipe Fittings
STANDARD AND IDENTIFICATION:
- Standard for production and use EN 10242: 1994
- Fittings made of high-quality blackheart malleable cast iron to ASTM A-197, ASTM A47
THREADS:
- The threads are cut according to AS 1722.1 / ISO 7/1. Parallel intefinal thread (RP) and tapered extefinal thread (R).
APPLICATION:
- All the Fittings are adequate for the supply of water at the recommended maximum working pressure of 1379kPa and gas, steam, and compressed air at the recommended maximum working pressure of 1034 kPa.
- Note: Working pressures may also be limited by relevant pressure piping codes or Industry regulations.
DIMENSIONS:
- All the Fittings are manufactured to the specifications of standard BS EN 10242, BS 143, BS 1256
INSPECTION:
- All the Fittings are inspected for conformity with the specifications of standard EN 10242.
MARKING:
- All the Fittings, when possible, are marked with a brand and/or with the nomfinal size Identification.
HOT DIP:
- The Fittings are delivered in hot-dip galvanized finish, as prescribed by the standard EN 10242.
LEAK TEST:
- Applying the standard EN 10242 each individual Fitting is subjected to a pressure test with a min.
- The hydrostatic pressure of 2068 kPa, which is equivalent to a pneumatic pressure of min. 500 kPa, without sflowing any sign of leakage or abnormality.
BRITISH STANDARD THREADS
All measurements in mm
NOMfinal BORE OF PIPE
APPROX. OUTSIDE DIAMETER
NUMBER OF THREADS PER INCH
PITCH
DEPTH OF THREADS
DIAMETER AT GAUGE PLANE
LENGTH OF USEFUL THREAD
IMPERIAL
METRIC
A
P
h
B
E
1/8
6
10.16
28
0.907
0.581
9.72
6.5
1/4
8
13.66
19
1.337
0.856
13.15
9.7
3/8
10
17.17
19
1.337
0.856
16.66
10.1
1/2
15
21.51
14
1.814
1.162
20.95
13.2
3/4
20
27
14
1.814
1.162
26.44
14.5
1
25
33.93
11
2.309
1.479
33.24
16.8
1-1/4
32
42.59
11
2.309
1.479
41.91
19.1
1-1/2
40
48.48
11
2.309
1.479
47.8
19.1
2
50
60.47
11
2.309
1.479
59.61
23.4
2/1/2
65
76.09
11
2.309
1.479
75.18
26.7
3
80
88.87
11
2.309
1.479
87.88
29.8
4
100
114.14
11
2.309
1.479
113.03
35.8
5
125
139.65
11
2.309
1.479
138.43
40.1
6
150
165.12
11
2.309
1.479
163.83
40.1
Specifications
Specifications
Specifications:
Applications
Applications
Features & Benefits
Features & Benefits
Your payment information is processed securely. We do not store credit card details nor have access to your credit card information.
AAP Square Head Plug Galvanised Malleable
Customer Service
Mon-Fri, 08:00-05:00pm
Call Us
(02) 9773-0122
Talk to a Sales Engineer
sales@aimsindustrial.com.au
Warehouse Address
Milperra NSW 2214, Australia
Your cart
(0)
Your cart is currently empty.
Not sure where to start? Try these collections:
Order note
Estimate Shipping
Product Comparison
| Description |
| Price |
| Vendor |
| Type |
| Product variants |
| The AAP Square Head Plug Galvanised Malleable by AAP is a Square Head Plug with a hot-dip galvanised finish. It provides 1379kPa and is suitable for the supply of water at the recommended maximum working pressure. |
Regular price
From $0.67
Sale price
From $0.67
Regular price
Unit price
/per
| AAP | Square Head Plug |
Thread & Pipe Size (inch)
1/8",1/4",3/8",1/2",3/4",1",1-1/4",1-1/2",2",2-1/2",3",4",6"
Thread & Pipe Size (mm)
6,8,10,15,20,25,32,40,50,65,80,100,150
|
Choose your option
AAP Square Head Plug Galvanised Malleable
AAP Square Head Plug Galvanised Malleable
SKU: A0077004
Type: Square Head Plug
Hurry up, only 16 items left in stock.
The AAP Square Head Plug Galvanised Malleable by AAP is a Square Head Plug with a hot-dip galvanised finish. It provides 1379kPa and is suitable for the supply of water at the recommended maximum working pressure.
- Choosing a selection results in a full page refresh.
- Opens in a new window.

