Description
Description
*** JTEKT (formerly Koyo Brand) ***
Angular Contact Ball Bearing with Machine Cage (7000-7300 Series)
- Angular contact ball bearings are suitable for applications that require high accuracy and good high-speed performance.
- This type of bearing is designed to carry a combined load.
- 7000-7300 Series.
About Angular Contact Ball Bearing
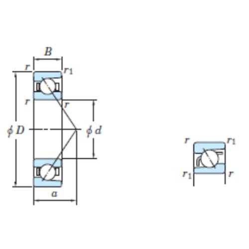
Single-row angular contact ball bearings and matched pair angular contact angle contact ball bearings.
- Single-row angular contact ball bearings accommodate radial load and axial load in one direction.
- Bearings with a machined cage are suitable for high-speed applications.
- The standard contact angles are 15°, 30°, and 40°.
- They are identified, respectively, by the supplementary codes "C", "A" (omitted), and "B".
- Bearings with a smaller contact angle are more suitable for applications involving high-speed rotation.
- Those with a larger contact angle feature superior axial load resistance.
- Angular contact ball bearings are often preloaded to enhance their rigidity and rotating performance.
- For high-precision matched pair angular contact ball bearings of class 5 or higher, which are used in machine tools and other precision equipment, the standard preload is specified in three levels: slight (S), light (L), medium (M), and heavy (H).
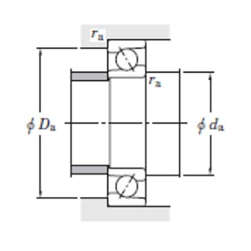
- When this type of bearing is loaded radially, an axial component of force is produced.
- In this case, two bearings are used together facing one another, or two or more bearings are matched and used.
Double-row angular contact ball bearing
- Consist of two single-row angular contact ball bearings matched back-to-back, with inner and outer rings integrated.
- Accommodates radial load and axial load in both directions.
- Also able to accommodate moment load.
Specifications
Specifications
Applications
Applications
Main Applications
- Automotive: Front wheel bearings, transmissions, differential pinion shaft.
- Electrical: High frequency motors.
- Industrial Equipment: Machine tool spindles, pumps, gas turbines, centrifugal separators, and Printing equipment.
Features & Benefits
Features & Benefits
Features Deep Groove Radial Bearing
- The contact angle between the bearing balls and rings is normally 15, 30, or 40 degrees.
- The larger contact angle bearings have greater thrust load capacity.
- Single row bearings can accommodate radial load and axial load in one direction only.
- Double row matched bearings can accommodate radial load and axial load in either direction.
- The DT double tandem arrangement should be used for higher axial loads.
- Angular contact bearings can provide a high degree of accuracy and are capable of running at high speed.
- Cages can be pressed steel, machined copper alloy, molded polyamide, and machined synthetic resin.
Your payment information is processed securely. We do not store credit card details nor have access to your credit card information.
Angular Contact Ball Bearing with Machine Cage
Angular Contact Ball Bearing with Machine Cage
SKU: A0153304
- Wide Range
- Reliable Services
- Proven Trust
Available
The Angular Contact Ball Bearing with Machine Cage by Koyo is a Angular Contact Ball Bearings. It provides 7000-7300 Series and is suitable for machine tool spindles.
- FREE SHIPPING OVER $299*
- RETURN AND EXCHANGE POLICY
Couldn't load pickup availability
Description
Description
*** JTEKT (formerly Koyo Brand) ***
Angular Contact Ball Bearing with Machine Cage (7000-7300 Series)
- Angular contact ball bearings are suitable for applications that require high accuracy and good high-speed performance.
- This type of bearing is designed to carry a combined load.
- 7000-7300 Series.
About Angular Contact Ball Bearing
Single-row angular contact ball bearings and matched pair angular contact angle contact ball bearings.
- Single-row angular contact ball bearings accommodate radial load and axial load in one direction.
- Bearings with a machined cage are suitable for high-speed applications.
- The standard contact angles are 15°, 30°, and 40°.
- They are identified, respectively, by the supplementary codes "C", "A" (omitted), and "B".
- Bearings with a smaller contact angle are more suitable for applications involving high-speed rotation.
- Those with a larger contact angle feature superior axial load resistance.
- Angular contact ball bearings are often preloaded to enhance their rigidity and rotating performance.
- For high-precision matched pair angular contact ball bearings of class 5 or higher, which are used in machine tools and other precision equipment, the standard preload is specified in three levels: slight (S), light (L), medium (M), and heavy (H).
- When this type of bearing is loaded radially, an axial component of force is produced.
- In this case, two bearings are used together facing one another, or two or more bearings are matched and used.
Double-row angular contact ball bearing
- Consist of two single-row angular contact ball bearings matched back-to-back, with inner and outer rings integrated.
- Accommodates radial load and axial load in both directions.
- Also able to accommodate moment load.
Specifications
Specifications
Applications
Applications
Main Applications
- Automotive: Front wheel bearings, transmissions, differential pinion shaft.
- Electrical: High frequency motors.
- Industrial Equipment: Machine tool spindles, pumps, gas turbines, centrifugal separators, and Printing equipment.
Features & Benefits
Features & Benefits
Features Deep Groove Radial Bearing
- The contact angle between the bearing balls and rings is normally 15, 30, or 40 degrees.
- The larger contact angle bearings have greater thrust load capacity.
- Single row bearings can accommodate radial load and axial load in one direction only.
- Double row matched bearings can accommodate radial load and axial load in either direction.
- The DT double tandem arrangement should be used for higher axial loads.
- Angular contact bearings can provide a high degree of accuracy and are capable of running at high speed.
- Cages can be pressed steel, machined copper alloy, molded polyamide, and machined synthetic resin.
Your payment information is processed securely. We do not store credit card details nor have access to your credit card information.
Angular Contact Ball Bearing with Machine Cage
Customer Service
Mon-Fri, 08:00-05:00pm
Call Us
(02) 9773-0122
Talk to a Sales Engineer
sales@aimsindustrial.com.au
Warehouse Address
Milperra NSW 2214, Australia
Your cart
(0)
Your cart is currently empty.
Not sure where to start? Try these collections:
Order note
Estimate Shipping
Product Comparison
| Description |
| Price |
| Vendor |
| Type |
| Product variants |
| The Angular Contact Ball Bearing with Machine Cage by Koyo is a Angular Contact Ball Bearings. It provides 7000-7300 Series and is suitable for machine tool spindles. |
Regular price
From $30.77
Sale price
From $30.77
Regular price
Unit price
/per
| Koyo | Angular Contact Ball Bearings |
Bore Diameter x Outer Diameter x Width (mm)
12 x 32 x 10,15 x 35 x 11,17 x 40 x 12,20 x 47 x 14,25 x 52 x 15,30 x 62 x 13,35 x 72 x 17,40 x 80 x 18,45 x 85 x 19,50 x 90 x 20,55 x 100 x 21,60 x 110 x 22,65 x 120 x 23,70 x 125 x 24,75 x 130 x 25,80 x 140 x 26,85 x 150 x 28,15 x 42 x 13,17 x 47 x 14,20 x 52 x 15,25 x 62 x 17,30 x 72 x 19,35 x 80 x 21,40 x 90 x 23,45 x 100 x 25,50 x 110 x 27,55 x 120 x 29,60 x 130 x 31
|
Choose your option
Angular Contact Ball Bearing with Machine Cage
Angular Contact Ball Bearing with Machine Cage
SKU: A0153304
Hurry up, only 8 items left in stock.
The Angular Contact Ball Bearing with Machine Cage by Koyo is a Angular Contact Ball Bearings. It provides 7000-7300 Series and is suitable for machine tool spindles.
- Choosing a selection results in a full page refresh.
- Opens in a new window.

