Description
Description
*** JTEKT (Formerly Koyo Brand) ***
Deep Groove Ball Bearing Metal Shield (C3) - 6300 Series
- Deep groove ball-bearing metal shield with C3 Clearance.
- 6300 Series.
About Deep Groove Ball Bearing
- Deep groove ball bearings are available in a variety of sizes and are the most popular of all rolling bearings.
- This type of bearing supports radial load and a certain degree of axial load in both directions simultaneously.
Shielded/sealed type
- Simplifies the sealing structure of applications.
- Greasing is not necessary because bearings are pre-lubricated.
With locating the snap ring
- Bearings with a locating snap ring can be fitted to the housing easily, as the locating snap ring facilitates axial positioning.
Extra-small ball bearings and miniature ball bearings
- The open type is widely used. Also available are the shielded/sealed type and the flanged type; the latter is easily positioned in the axial direction.
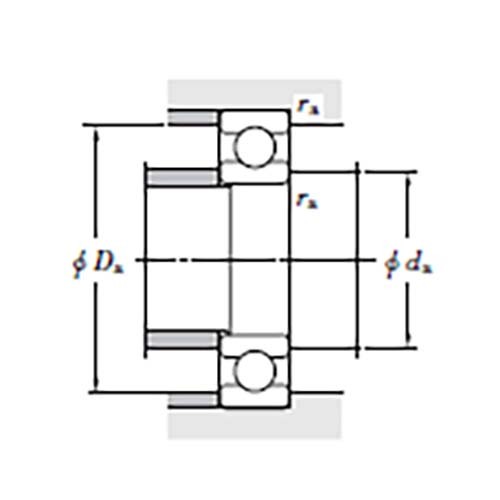
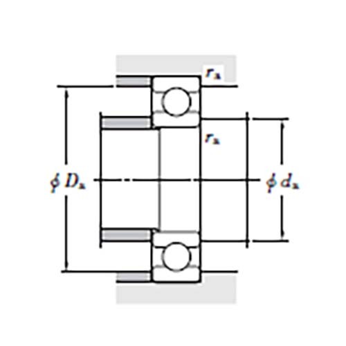
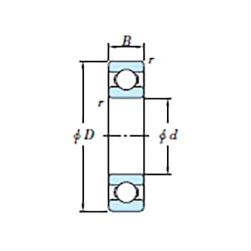
Specifications
Specifications
Applications
Applications
Main Applications
- Automotive: Transmissions, electrical devices, truck, and trailer equipment.
- Off-Highway Vehicles: Construction equipment, agricultural equipment, railroad rolling equipment.
- Electrical Equipment: Standard motors, and electric appliances for domestic use
- Other: Measuring instruments, medical instruments, and miscellaneous industrial equipment.
Features & Benefits
Features & Benefits
Features Deep Groove Radial Bearing
- Type: Open Type, Shielded/ sealed type, With locating snap ring, Maximum type, and Double-row.
- The most popular rolling bearing type is used in a wide variety of industries and applications.
- The inner and outer rings have deep uninterrupted grooves.
- They can support radial loading and a certain degree of axial loading in either direction
- High-speed capability.
- The Maximum style is not to be used when axial loading or high speed is involved.
- Sealed and shielded types are filled with an appropriate volume of grease.
- Bearings with a locating snap ring aid axial positioning and eliminate the need for housing the shoulder.
- Cages can be pressed steel, machined copper alloy, molded polyamide, synthetic resin, pressed stainless sheet steel
Your payment information is processed securely. We do not store credit card details nor have access to your credit card information.
Deep Groove Ball Bearing Metal Shield (C3) - 6300 Series
Deep Groove Ball Bearing Metal Shield (C3) - 6300 Series
SKU: A0153219
- Wide Range
- Reliable Services
- Proven Trust
Available
The Deep Groove Ball Bearing Metal Shield (C3) by Koyo is a Deep-Groove Ball Bearings with a metal shield. It offers C3 clearance and is suitable for automotive applications.
- FREE SHIPPING OVER $299*
- RETURN AND EXCHANGE POLICY
Couldn't load pickup availability
Description
Description
*** JTEKT (Formerly Koyo Brand) ***
Deep Groove Ball Bearing Metal Shield (C3) - 6300 Series
- Deep groove ball-bearing metal shield with C3 Clearance.
- 6300 Series.
About Deep Groove Ball Bearing
- Deep groove ball bearings are available in a variety of sizes and are the most popular of all rolling bearings.
- This type of bearing supports radial load and a certain degree of axial load in both directions simultaneously.
Shielded/sealed type
- Simplifies the sealing structure of applications.
- Greasing is not necessary because bearings are pre-lubricated.
With locating the snap ring
- Bearings with a locating snap ring can be fitted to the housing easily, as the locating snap ring facilitates axial positioning.
Extra-small ball bearings and miniature ball bearings
- The open type is widely used. Also available are the shielded/sealed type and the flanged type; the latter is easily positioned in the axial direction.
Specifications
Specifications
Applications
Applications
Main Applications
- Automotive: Transmissions, electrical devices, truck, and trailer equipment.
- Off-Highway Vehicles: Construction equipment, agricultural equipment, railroad rolling equipment.
- Electrical Equipment: Standard motors, and electric appliances for domestic use
- Other: Measuring instruments, medical instruments, and miscellaneous industrial equipment.
Features & Benefits
Features & Benefits
Features Deep Groove Radial Bearing
- Type: Open Type, Shielded/ sealed type, With locating snap ring, Maximum type, and Double-row.
- The most popular rolling bearing type is used in a wide variety of industries and applications.
- The inner and outer rings have deep uninterrupted grooves.
- They can support radial loading and a certain degree of axial loading in either direction
- High-speed capability.
- The Maximum style is not to be used when axial loading or high speed is involved.
- Sealed and shielded types are filled with an appropriate volume of grease.
- Bearings with a locating snap ring aid axial positioning and eliminate the need for housing the shoulder.
- Cages can be pressed steel, machined copper alloy, molded polyamide, synthetic resin, pressed stainless sheet steel
Your payment information is processed securely. We do not store credit card details nor have access to your credit card information.
Deep Groove Ball Bearing Metal Shield (C3) - 6300 Series
Customer Service
Mon-Fri, 08:00-05:00pm
Call Us
(02) 9773-0122
Talk to a Sales Engineer
sales@aimsindustrial.com.au
Warehouse Address
Milperra NSW 2214, Australia
Your cart
(0)
Your cart is currently empty.
Not sure where to start? Try these collections:
Order note
Estimate Shipping
Product Comparison
| Description |
| Price |
| Vendor |
| Type |
| Product variants |
| The Deep Groove Ball Bearing Metal Shield (C3) by Koyo is a Deep-Groove Ball Bearings with a metal shield. It offers C3 clearance and is suitable for automotive applications. |
Regular price
From $12.29
Sale price
From $12.29
Regular price
Unit price
/per
| Koyo | Deep-Groove Ball Bearings |
Bore Diameter x Outer Diameter x Width (mm)
95 x 200 x 45,90 x 190 x 43,85 x 180 x 41,80 x 170 x 39,75 x 160 x 37,70 x 150 x 35,65 x 140 x 33,60 x 130 x 31,55 x 120 x 29,50 x 110 x 27,45 x 100 x 25,40 x 90 x 23,35 x 80 x 21,30 x 72 x 19,25 x 62 x 17,20 x 52 x 15,17 x 47 x 14,15 x 42 x 13,12 x 37 x 12,110 x 240 x 50,10 x 35 x 11,100 x 215 x 47
|
Choose your option
Deep Groove Ball Bearing Metal Shield (C3) - 6300 Series
Deep Groove Ball Bearing Metal Shield (C3) - 6300 Series
SKU: A0153219
Hurry up, only 8 items left in stock.
The Deep Groove Ball Bearing Metal Shield (C3) by Koyo is a Deep-Groove Ball Bearings with a metal shield. It offers C3 clearance and is suitable for automotive applications.
- Choosing a selection results in a full page refresh.
- Opens in a new window.

