Description
      
    
  Description
*** JTEKT (Formerly Koyo Brand) ***
Deep Groove Ball Bearing Open Type (C3) 60/22-63/32 Series
- Deep groove ball bearing open with C3 clearance.
 - 60/22-63/32 Series.
 
About Deep Groove Ball Bearing
- Deep groove ball bearings are available in a variety of sizes and are the most popular of all rolling bearings.
 - This type of bearing supports radial load and a certain degree of axial load in both directions simultaneously.
 
Shielded/sealed type
- Simplifies the sealing structure of applications.
 - Greasing is not necessary because bearings are pre-lubricated.
 
With locating snap ring
- Bearings with a locating snap ring can be fitted to the housing easily, as the locating snap ring facilitates axial positioning.
 
Extra-small ball bearings and miniature ball bearings
- The open type is widely used. Also available are the shielded/sealed type and the flanged type; the latter is easily positioned in the axial direction.
 
    
      
      
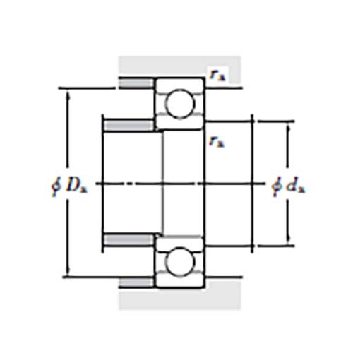
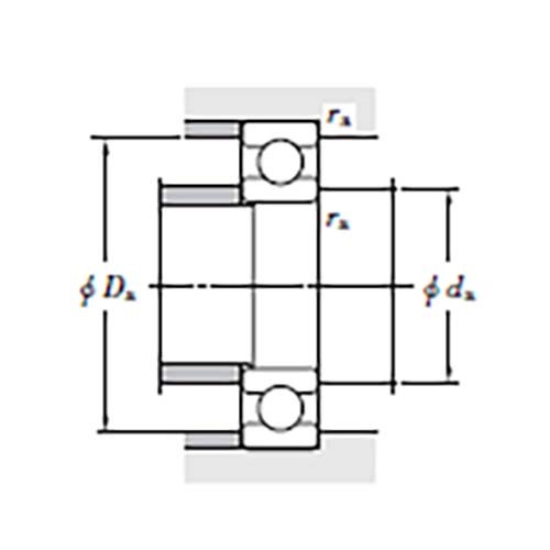
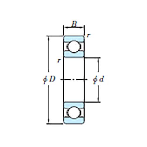
        Specifications
      
    
  Specifications
    
      
      
        Applications
      
    
  Applications
Main Applications
- Automotive: Transmissions, electrical devices, truck, and trailer equipment.
 - Off-Highway Vehicles: Construction equipment, agricultural equipment, railroad rolling equipment.
 - Electrical Equipment: Standard motors, electric appliances for domestic use
 - Other: Measuring instruments, medical instruments, and miscellaneous industrial equipment.
 
    
      
      
        Features & Benefits
      
    
  Features & Benefits
Features Deep Groove Radial Bearing
- Type: Open Type, Shielded/ sealed type, With locating snap ring, Maximum type, and Double-row.
 - The most popular rolling bearing type used in a wide variety of industries and applications.
 - The inner and outer rings have deep uninterrupted grooves.
 - They can support radial loading and a certain degree of axial loading in either direction
 - High-speed capability.
 - The Maximum style not to be used when axial loading or high speed is involved.
 - Sealed and shielded types are filled with an appropriate volume of grease.
 - Bearings with a locating snap ring aid axial positioning and eliminate the need for housing shoulder.
 - Cages can be a pressed steel, machined copper alloy, molded polyamide, synthetic resin, pressed stainless sheet steel
 
Your payment information is processed securely. We do not store credit card details nor have access to your credit card information.
Deep Groove Ball Bearing Open (C3) 60/22-63/32 Series
Deep Groove Ball Bearing Open (C3) 60/22-63/32 Series
SKU: A0153249
- Wide Range
 - Reliable Services
 - Proven Trust
 
Available
The Deep Groove Ball Bearing Open (C3) 60/22-63/32 Series by Koyo is a Deep-Groove Ball Bearings with C3 clearance and pre-lubricated. It provides the 60/22-63/32 Series bearing sizes and is suitable for automotive transmissions.
- FREE SHIPPING OVER $299*
 - RETURN AND EXCHANGE POLICY
 
Couldn't load pickup availability
    
      
      
        Description
      
    
  Description
*** JTEKT (Formerly Koyo Brand) ***
Deep Groove Ball Bearing Open Type (C3) 60/22-63/32 Series
- Deep groove ball bearing open with C3 clearance.
 - 60/22-63/32 Series.
 
About Deep Groove Ball Bearing
- Deep groove ball bearings are available in a variety of sizes and are the most popular of all rolling bearings.
 - This type of bearing supports radial load and a certain degree of axial load in both directions simultaneously.
 
Shielded/sealed type
- Simplifies the sealing structure of applications.
 - Greasing is not necessary because bearings are pre-lubricated.
 
With locating snap ring
- Bearings with a locating snap ring can be fitted to the housing easily, as the locating snap ring facilitates axial positioning.
 
Extra-small ball bearings and miniature ball bearings
- The open type is widely used. Also available are the shielded/sealed type and the flanged type; the latter is easily positioned in the axial direction.
 
    
      
      
        Specifications
      
    
  Specifications
    
      
      
        Applications
      
    
  Applications
Main Applications
- Automotive: Transmissions, electrical devices, truck, and trailer equipment.
 - Off-Highway Vehicles: Construction equipment, agricultural equipment, railroad rolling equipment.
 - Electrical Equipment: Standard motors, electric appliances for domestic use
 - Other: Measuring instruments, medical instruments, and miscellaneous industrial equipment.
 
    
      
      
        Features & Benefits
      
    
  Features & Benefits
Features Deep Groove Radial Bearing
- Type: Open Type, Shielded/ sealed type, With locating snap ring, Maximum type, and Double-row.
 - The most popular rolling bearing type used in a wide variety of industries and applications.
 - The inner and outer rings have deep uninterrupted grooves.
 - They can support radial loading and a certain degree of axial loading in either direction
 - High-speed capability.
 - The Maximum style not to be used when axial loading or high speed is involved.
 - Sealed and shielded types are filled with an appropriate volume of grease.
 - Bearings with a locating snap ring aid axial positioning and eliminate the need for housing shoulder.
 - Cages can be a pressed steel, machined copper alloy, molded polyamide, synthetic resin, pressed stainless sheet steel
 
Your payment information is processed securely. We do not store credit card details nor have access to your credit card information.
Deep Groove Ball Bearing Open (C3) 60/22-63/32 Series
Customer Service
Mon-Fri, 08:00-05:00pm
Call Us
(02) 9773-0122
Talk to a Sales Engineer
sales@aimsindustrial.com.au
Warehouse Address
Milperra NSW 2214, Australia
              Your cart
              
                (0)
               
            
            
          Your cart is currently empty.
Not sure where to start? Try these collections:
Order note
Estimate Shipping
Product Comparison
| Description | 
| Price | 
| Vendor | 
| Type | 
| Product variants | 
 
 | The Deep Groove Ball Bearing Open (C3) 60/22-63/32 Series by Koyo is a Deep-Groove Ball Bearings with C3 clearance and pre-lubricated. It provides the 60/22-63/32 Series bearing sizes and is suitable for automotive transmissions.  | 
 Regular price
      
        From $26.18
       
  
    Sale price
    
      From $26.18
    
      Regular price
      
         
  
    Unit price
     
  
/per  
   | Koyo | Deep-Groove Ball Bearings | 
      Bore Diameter x Outer Diameter x Width (mm)
       22 x 44 x 12,28 x 52 x 12,22 x 50 x 14,28 x 58 x 16,32 x 65 x 17,22 x 56 x 16,28 x 68 x 18,32 x 75 x 20 
     | 
Choose your option
Deep Groove Ball Bearing Open (C3) 60/22-63/32 Series
Deep Groove Ball Bearing Open (C3) 60/22-63/32 Series
SKU: A0153249
Hurry up, only 8 items left in stock.
The Deep Groove Ball Bearing Open (C3) 60/22-63/32 Series by Koyo is a Deep-Groove Ball Bearings with C3 clearance and pre-lubricated. It provides the 60/22-63/32 Series bearing sizes and is suitable for automotive transmissions.
- Choosing a selection results in a full page refresh.
 - Opens in a new window.
 

