Description
      
    
  Description
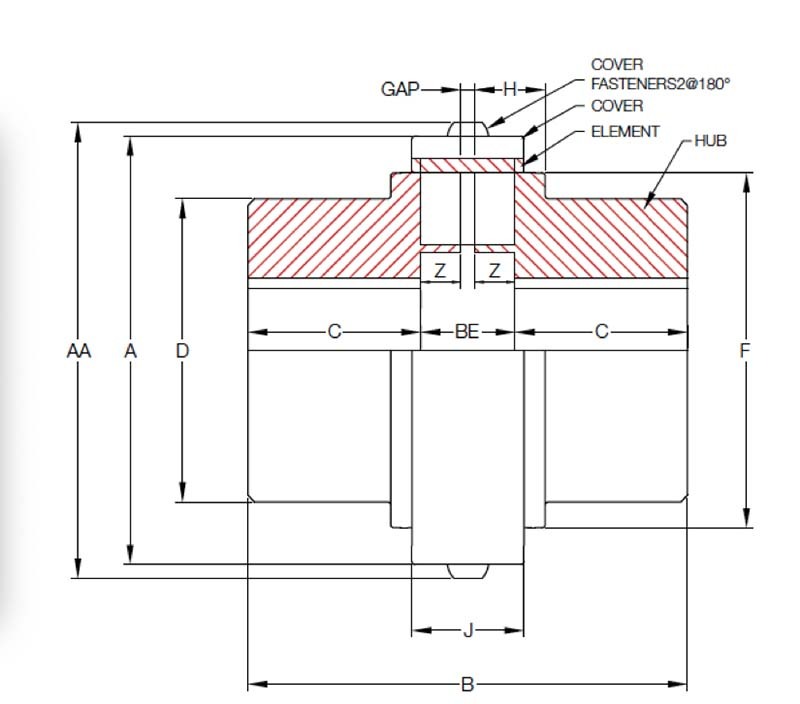
***Catalogue dimensions are reference only. Contact AIMS to confirm actual measurement if a specific dimension is critical to your application.***
***Element Only***
KCP KW Flex Coupling Element - KW10 Type
- KW10 type.
 
About KW Flex Coupling
- KCP KW Flex Coupling is designed to allow for quick and easy element replacement.
 - Removal of hubs or the realignment of motors or drives is not required, which in turn reduces overall downtime.
 - Advanced production methods and innovative material selection allows for a higher capacity at a more competitive price.
 - KW Flex Coupling is non-lubricated and is designed from flexible urethane.
 - The lack of need for lubrication decreases recurrent maintenance costs.
 - Available in both close-coupled and spacer designs, Urethane Flexible Couplings accommodate shaft diameters up to 186mm and torque loads up to 15,028 Nm.
 - The urethane element has excellent resistance to wear and chemicals, and can be operated between temperatures of -40°C to 95°C.
 - The compact design of this coupling eliminates that need for coupling guard redesign for specific applications.
 
    
      
      
        Specifications
      
    
  Specifications
    
      
      
        Applications
      
    
  Applications
    
      
      
        Features & Benefits
      
    
  Features & Benefits
Your payment information is processed securely. We do not store credit card details nor have access to your credit card information.
KCP KW Flex Coupling Element - KW10 Type
KCP KW Flex Coupling Element - KW10 Type
SKU: A0198050
Type: Coupling Element
- Wide Range
 - Reliable Services
 - Proven Trust
 
Available
The KCP KW Flex Coupling Element by KCP is a Coupling Element made from urethane. It provides torque loads up to 15,028 Nm and is suitable for motors or drives.
- FREE SHIPPING OVER $299*
 - RETURN AND EXCHANGE POLICY
 
Resources
Couldn't load pickup availability
    
      
      
        Description
      
    
  Description
***Catalogue dimensions are reference only. Contact AIMS to confirm actual measurement if a specific dimension is critical to your application.***
***Element Only***
KCP KW Flex Coupling Element - KW10 Type
- KW10 type.
 
About KW Flex Coupling
- KCP KW Flex Coupling is designed to allow for quick and easy element replacement.
 - Removal of hubs or the realignment of motors or drives is not required, which in turn reduces overall downtime.
 - Advanced production methods and innovative material selection allows for a higher capacity at a more competitive price.
 - KW Flex Coupling is non-lubricated and is designed from flexible urethane.
 - The lack of need for lubrication decreases recurrent maintenance costs.
 - Available in both close-coupled and spacer designs, Urethane Flexible Couplings accommodate shaft diameters up to 186mm and torque loads up to 15,028 Nm.
 - The urethane element has excellent resistance to wear and chemicals, and can be operated between temperatures of -40°C to 95°C.
 - The compact design of this coupling eliminates that need for coupling guard redesign for specific applications.
 
    
      
      
        Specifications
      
    
  Specifications
    
      
      
        Applications
      
    
  Applications
    
      
      
        Features & Benefits
      
    
  Features & Benefits
Your payment information is processed securely. We do not store credit card details nor have access to your credit card information.
KCP KW Flex Coupling Element - KW10 Type
Customer Service
Mon-Fri, 08:00-05:00pm
Call Us
(02) 9773-0122
Talk to a Sales Engineer
sales@aimsindustrial.com.au
Warehouse Address
Milperra NSW 2214, Australia
              Your cart
              
                (0)
               
            
            
          Your cart is currently empty.
Not sure where to start? Try these collections:
Order note
Estimate Shipping
Product Comparison
| Description | 
| Price | 
| Vendor | 
| Type | 
| Product variants | 
 
 | The KCP KW Flex Coupling Element by KCP is a Coupling Element made from urethane. It provides torque loads up to 15,028 Nm and is suitable for motors or drives.  | 
 Regular price
      
        From $133.98
       
  
    Sale price
    
      From $133.98
    
      Regular price
      
         
  
    Unit price
     
  
/per  
   | KCP | Coupling Element | 
      Size
       5,10,20,30,40,50,60 
     | 
Choose your option
KCP KW Flex Coupling Element - KW10 Type
KCP KW Flex Coupling Element - KW10 Type
SKU: A0198050
Type: Coupling Element
Hurry up, only 8 items left in stock.
The KCP KW Flex Coupling Element by KCP is a Coupling Element made from urethane. It provides torque loads up to 15,028 Nm and is suitable for motors or drives.
- Choosing a selection results in a full page refresh.
 - Opens in a new window.
 

