Description
Description
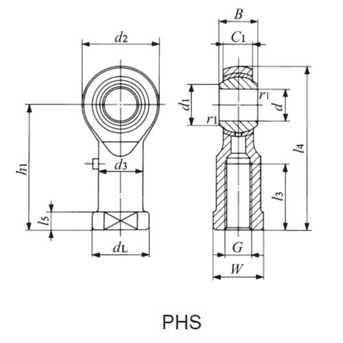
Metric Rod End Female Right Hand
- Female rod end.
- Right hand.
- Lubrication Type PILLOBALL Rod Ends Insert Type/With Female Thread.
About Lubrication Type PILLOBALL Rod Ends Insert Type PHS
- This type has superior anti-wear and anti-corrosion properties as well as high rigidity.
- It consists of a spherical inner ring of which the spherical surface is chromium-plated after heat treatment and grinding, a body with zinc chromate treated outer surface, and an inserted bushing of a special copper alloy having superior run-in properties.
Specifications
Specifications
Applications
Applications
Features & Benefits
Features & Benefits
About Pilloball Structure and Features
- PILLOBALLs are compact self-aligning spherical bushings that can support a large radial load and a bi-directional axial load at the same time.
- These bushings are classified by sliding surface types, namely, insert type, die-cast type, and maintenance-free type.
- In the insert type, a spherical inner ring makes contact with the special copper alloy bushing with superior run-in properties.
- In the die-cast type, a spherical inner ring makes direct contact with the bore surface of the body of a special zinc die-cast alloy.
- In the maintenance-free type, a spherical inner ring makes contact with the special PTFE liner of the maintenance-free type.
- Thus, a smooth rotational and oscillatory motion can be achieved with superior anti-wear and loading properties in each type.
- PILLOBALL Rod Ends have either a female thread in the body or a male thread on the body, and they can be easily assembled onto machines.
- PILLOBALLs are used in control and link mechanisms in machine tools, textile machines, packaging machines, etc.
- The maintenance-free type is especially suitable for loading in one direction and is the best choice for machines in which oil must be avoided such as food processing machines, or machines that cannot be re-lubricated.
Your payment information is processed securely. We do not store credit card details nor have access to your credit card information.
Metric Rod End Female Right Hand
Metric Rod End Female Right Hand
SKU: A0154921
Type: Rod End
- Wide Range
- Reliable Services
- Proven Trust
Available
The Metric Rod End Female Right Hand by IKO is a Rod End with zinc chromate treated outer surface. It is suitable for control and link mechanisms in machine tools.
- FREE SHIPPING OVER $299*
- RETURN AND EXCHANGE POLICY
Couldn't load pickup availability
Description
Description
Metric Rod End Female Right Hand
- Female rod end.
- Right hand.
- Lubrication Type PILLOBALL Rod Ends Insert Type/With Female Thread.
About Lubrication Type PILLOBALL Rod Ends Insert Type PHS
- This type has superior anti-wear and anti-corrosion properties as well as high rigidity.
- It consists of a spherical inner ring of which the spherical surface is chromium-plated after heat treatment and grinding, a body with zinc chromate treated outer surface, and an inserted bushing of a special copper alloy having superior run-in properties.
Specifications
Specifications
Applications
Applications
Features & Benefits
Features & Benefits
About Pilloball Structure and Features
- PILLOBALLs are compact self-aligning spherical bushings that can support a large radial load and a bi-directional axial load at the same time.
- These bushings are classified by sliding surface types, namely, insert type, die-cast type, and maintenance-free type.
- In the insert type, a spherical inner ring makes contact with the special copper alloy bushing with superior run-in properties.
- In the die-cast type, a spherical inner ring makes direct contact with the bore surface of the body of a special zinc die-cast alloy.
- In the maintenance-free type, a spherical inner ring makes contact with the special PTFE liner of the maintenance-free type.
- Thus, a smooth rotational and oscillatory motion can be achieved with superior anti-wear and loading properties in each type.
- PILLOBALL Rod Ends have either a female thread in the body or a male thread on the body, and they can be easily assembled onto machines.
- PILLOBALLs are used in control and link mechanisms in machine tools, textile machines, packaging machines, etc.
- The maintenance-free type is especially suitable for loading in one direction and is the best choice for machines in which oil must be avoided such as food processing machines, or machines that cannot be re-lubricated.
Your payment information is processed securely. We do not store credit card details nor have access to your credit card information.
Metric Rod End Female Right Hand
Customer Service
Mon-Fri, 08:00-05:00pm
Call Us
(02) 9773-0122
Talk to a Sales Engineer
sales@aimsindustrial.com.au
Warehouse Address
Milperra NSW 2214, Australia
Your cart
(0)
Your cart is currently empty.
Not sure where to start? Try these collections:
Order note
Estimate Shipping
Product Comparison
| Description |
| Price |
| Vendor |
| Type |
| Product variants |
| The Metric Rod End Female Right Hand by IKO is a Rod End with zinc chromate treated outer surface. It is suitable for control and link mechanisms in machine tools. |
Regular price
From $50.38
Sale price
From $50.38
Regular price
Unit price
/per
| IKO | Rod End |
Bore Diameter of Inner Ring (d) (mm)
3,4,5,6,8,10,12,14,16,18,20,22,25
|
Choose your option
Metric Rod End Female Right Hand
Metric Rod End Female Right Hand
SKU: A0154921
Type: Rod End
Hurry up, only 8 items left in stock.
The Metric Rod End Female Right Hand by IKO is a Rod End with zinc chromate treated outer surface. It is suitable for control and link mechanisms in machine tools.
- Choosing a selection results in a full page refresh.
- Opens in a new window.

