Description
Description
*** JTEKT (Formerly Koyo Brand) ***
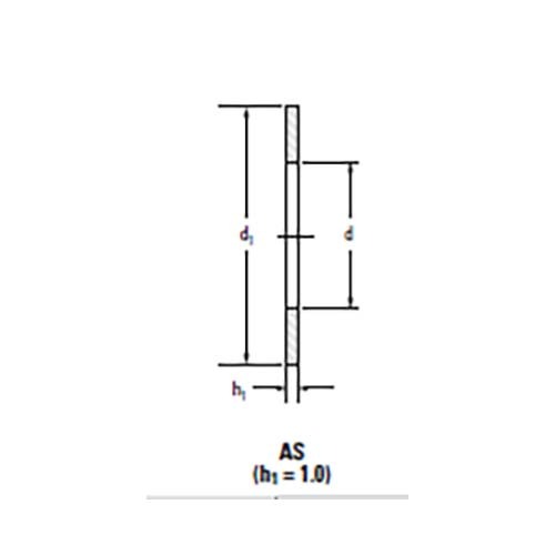
Thrust Needle Roller Bearing - Washer (AS)
- Thin thrust washer.
- The metric series thin thrust washers are made of hardened spring steel.
- Thin washers are used when the supporting or backing members cannot be adequately prepared as raceways for the needle rollers.
- These washers are only 1.000 mm (0.0394 in) thick, and provide a very compact and cost-effective bearing arrangement.
- Although they are usually guided on the shaft, they may be housing-guided, when required by the application.
About Thrust Bearings, Assemblies, Washers
- Dimensions for bore and O.D. of thrust assemblies and washers are nominal.
- Thrust washers burnished at least one - quarter of bore area (remainder is rough breakaway finish).
- O.D. finish of washers will be as blanked.
About Mounting Tolerances Thrust Needle Roller And Cage Assembly
- Thrust needle roller and cage assemblies are complements of small diameter needle rollers, arranged in a spoke-like configuration.
- Needle rollers are equally spaced by means of a cage, its web section separates the rollers and provides guidance to keep them tracking in an orbital path.
- The purpose of these assemblies is to transmit a thrust load between two relatively rotating objects while greatly reducing friction.
- Thrust needle roller and cage assemblies also can be unitized with lipped washers to serve as raceway surfaces for the needle rollers.
- Washers can be supplied separately or can be mechanically unitized to the thrust needle roller and cage assemblies for ease of handling.
Specifications
Specifications
Applications
Applications
Features & Benefits
Features & Benefits
Features
- One-way fool-proof assembly features, anti-rotation locking features and lubrication flow enhancements.
Benefits
- High speed performance and application flexibilty.
Your payment information is processed securely. We do not store credit card details nor have access to your credit card information.
Thrust Needle Roller Bearing - Washer (AS)
Thrust Needle Roller Bearing - Washer (AS)
SKU: A0157627
- Wide Range
- Reliable Services
- Proven Trust
Available
The Thrust Needle Roller Bearing by Koyo is a Thrust Needle Roller Washer made of hardened spring steel. It provides 1.000 mm (0.0394 in) thickness and is suitable for transmitting a thrust load between relatively rotating objects.
- FREE SHIPPING OVER $299*
- RETURN AND EXCHANGE POLICY
Couldn't load pickup availability
Description
Description
*** JTEKT (Formerly Koyo Brand) ***
Thrust Needle Roller Bearing - Washer (AS)
- Thin thrust washer.
- The metric series thin thrust washers are made of hardened spring steel.
- Thin washers are used when the supporting or backing members cannot be adequately prepared as raceways for the needle rollers.
- These washers are only 1.000 mm (0.0394 in) thick, and provide a very compact and cost-effective bearing arrangement.
- Although they are usually guided on the shaft, they may be housing-guided, when required by the application.
About Thrust Bearings, Assemblies, Washers
- Dimensions for bore and O.D. of thrust assemblies and washers are nominal.
- Thrust washers burnished at least one - quarter of bore area (remainder is rough breakaway finish).
- O.D. finish of washers will be as blanked.
About Mounting Tolerances Thrust Needle Roller And Cage Assembly
- Thrust needle roller and cage assemblies are complements of small diameter needle rollers, arranged in a spoke-like configuration.
- Needle rollers are equally spaced by means of a cage, its web section separates the rollers and provides guidance to keep them tracking in an orbital path.
- The purpose of these assemblies is to transmit a thrust load between two relatively rotating objects while greatly reducing friction.
- Thrust needle roller and cage assemblies also can be unitized with lipped washers to serve as raceway surfaces for the needle rollers.
- Washers can be supplied separately or can be mechanically unitized to the thrust needle roller and cage assemblies for ease of handling.
Specifications
Specifications
Applications
Applications
Features & Benefits
Features & Benefits
Features
- One-way fool-proof assembly features, anti-rotation locking features and lubrication flow enhancements.
Benefits
- High speed performance and application flexibilty.
Your payment information is processed securely. We do not store credit card details nor have access to your credit card information.
Thrust Needle Roller Bearing - Washer (AS)
Customer Service
Mon-Fri, 08:00-05:00pm
Call Us
(02) 9773-0122
Talk to a Sales Engineer
sales@aimsindustrial.com.au
Warehouse Address
Milperra NSW 2214, Australia
Your cart
(0)
Your cart is currently empty.
Not sure where to start? Try these collections:
Order note
Estimate Shipping
Product Comparison
| Description |
| Price |
| Vendor |
| Type |
| Product variants |
| The Thrust Needle Roller Bearing by Koyo is a Thrust Needle Roller Washer made of hardened spring steel. It provides 1.000 mm (0.0394 in) thickness and is suitable for transmitting a thrust load between relatively rotating objects. |
Regular price
From $1.09
Sale price
From $1.09
Regular price
Unit price
/per
| Koyo | Thrust Needle Roller Washer |
Width (mm)
1
Inside Diameter (mm)
6,8,10,12,15,17,20,25,30,35,40,50,55,65,70,75,100,110,120,130,140,150,160
Outside Diameter (mm)
19,21,24,26,28,30,35,42,47,52,60,70,78,90,95,100,135,145,155,170,180,190,200
|
Choose your option
Thrust Needle Roller Bearing - Washer (AS)
Thrust Needle Roller Bearing - Washer (AS)
SKU: A0157627
Hurry up, only 8 items left in stock.
The Thrust Needle Roller Bearing by Koyo is a Thrust Needle Roller Washer made of hardened spring steel. It provides 1.000 mm (0.0394 in) thickness and is suitable for transmitting a thrust load between relatively rotating objects.
Spotlight picks (4)
Black Friday • Cyber Monday Sale: FIX
Save up to 60% sitewide on tools, PPE, workshop gear, and more
Black Friday • Cyber Monday Sale: BUILD
Save up to 60% sitewide on tools, PPE, workshop gear, and more
Black Friday • Cyber Monday Sale – CREATE
Save up to 60% sitewide on tools, PPE, workshop gear, and more
Black Friday • Cyber Monday Sale – MASTER
Save up to 60% sitewide on tools, PPE, workshop gear, and more
- Choosing a selection results in a full page refresh.
- Opens in a new window.

