Description
Description
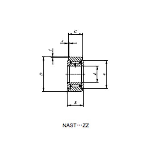
Roller Follower Separable w/ Inner Ring ZZ Cylindrical Outer Ring
- Metric series.
- Shielded type.
- With a cylindrical outer ring.
All About Roller Follower
- Roller Followers are bearings in which needle rollers are incorporated in a thick-walled outer ring.
- These bearings are designed for outer ring rotation, and the outer rings run directly on mating track surfaces.
- They are used as follower bearings for cam mechanisms and for linear motions.
All About Separable Roller Followers
- These bearings are assembled by combining an outer ring, inner ring, and Needle Roller Cage, which can be separated from one another.
- Thus, handling is easy.
- Oil lubrication is also easy, making them suitable for high-speed rotations.
- There are two types: type without inner ring RNAST and type with inner ring NAST.
- The type with inner ring includes open type, shield type, and sealed type.
Specifications
Specifications
Applications
Applications
Features & Benefits
Features & Benefits
All About Structure and Features
- Roller Followers are bearings designed for outer ring rotation, in which needle rollers are incorporated in a thick-walled outer ring.
- Both crowned and cylindrical outer rings are available.
- The outer rings run directly on mating track surfaces, and the crowned outer ring is effective in relieving the edge load caused by mounting errors.
- The cylindrical outer ring, on the other hand, has a large contact area with the mating track surface and is suitable for applications involving large loads or low track surface hardness.
- In Roller Followers, there are two types of bearings available, the caged type and the full complement type.
- The caged type is useful for applications at high-speed rotation.
- The full complement type, on the other hand, is suitable for heavy-load applications at low-speed rotation or oscillating motions.
- Roller Followers include separable and non-separable types.
- Also, in addition to the open type, shield type and sealed type are available.
- The clearances between the side plates and outer ring of the shield type are narrow, and form labyrinths.
- In the sealed type, special synthetic rubber seals are assembled in these clearances, and they are effective in preventing the penetration of dust and dirt.
- These bearings are available in a variety of types to suit almost any kind of application. They are widely used for cam mechanisms and for linear motions of conveying equipment.
Your payment information is processed securely. We do not store credit card details nor have access to your credit card information.
Roller Follower Separable w/IR ZZ Cylindrical Outer Ring
Roller Follower Separable w/IR ZZ Cylindrical Outer Ring
SKU: A0156719
Type: Roller Follower
- Wide Range
- Reliable Services
- Proven Trust
Available
The Roller Follower Separable w/IR ZZ Cylindrical Outer Ring by IKO is a Roller Follower shielded. It is used as a follower bearing for cam mechanisms and for linear motions of conveying equipment and is suitable for high-speed rotations with oil lubrication.
- FREE SHIPPING OVER $299*
- RETURN AND EXCHANGE POLICY
Couldn't load pickup availability
Description
Description
Roller Follower Separable w/ Inner Ring ZZ Cylindrical Outer Ring
- Metric series.
- Shielded type.
- With a cylindrical outer ring.
All About Roller Follower
- Roller Followers are bearings in which needle rollers are incorporated in a thick-walled outer ring.
- These bearings are designed for outer ring rotation, and the outer rings run directly on mating track surfaces.
- They are used as follower bearings for cam mechanisms and for linear motions.
All About Separable Roller Followers
- These bearings are assembled by combining an outer ring, inner ring, and Needle Roller Cage, which can be separated from one another.
- Thus, handling is easy.
- Oil lubrication is also easy, making them suitable for high-speed rotations.
- There are two types: type without inner ring RNAST and type with inner ring NAST.
- The type with inner ring includes open type, shield type, and sealed type.
Specifications
Specifications
Applications
Applications
Features & Benefits
Features & Benefits
All About Structure and Features
- Roller Followers are bearings designed for outer ring rotation, in which needle rollers are incorporated in a thick-walled outer ring.
- Both crowned and cylindrical outer rings are available.
- The outer rings run directly on mating track surfaces, and the crowned outer ring is effective in relieving the edge load caused by mounting errors.
- The cylindrical outer ring, on the other hand, has a large contact area with the mating track surface and is suitable for applications involving large loads or low track surface hardness.
- In Roller Followers, there are two types of bearings available, the caged type and the full complement type.
- The caged type is useful for applications at high-speed rotation.
- The full complement type, on the other hand, is suitable for heavy-load applications at low-speed rotation or oscillating motions.
- Roller Followers include separable and non-separable types.
- Also, in addition to the open type, shield type and sealed type are available.
- The clearances between the side plates and outer ring of the shield type are narrow, and form labyrinths.
- In the sealed type, special synthetic rubber seals are assembled in these clearances, and they are effective in preventing the penetration of dust and dirt.
- These bearings are available in a variety of types to suit almost any kind of application. They are widely used for cam mechanisms and for linear motions of conveying equipment.
Your payment information is processed securely. We do not store credit card details nor have access to your credit card information.
Roller Follower Separable w/IR ZZ Cylindrical Outer Ring
Customer Service
Mon-Fri, 08:00-05:00pm
Call Us
(02) 9773-0122
Talk to a Sales Engineer
sales@aimsindustrial.com.au
Warehouse Address
Milperra NSW 2214, Australia
Your cart
(0)
Your cart is currently empty.
Not sure where to start? Try these collections:
Order note
Estimate Shipping
Product Comparison
| Description |
| Price |
| Vendor |
| Type |
| Product variants |
| The Roller Follower Separable w/IR ZZ Cylindrical Outer Ring by IKO is a Roller Follower shielded. It is used as a follower bearing for cam mechanisms and for linear motions of conveying equipment and is suitable for high-speed rotations with oil lubrication. |
Regular price
From $44.18
Sale price
From $44.18
Regular price
Unit price
/per
| IKO | Roller Follower |
Outside Diameter
24 mm,30 mm,32 mm,35 mm,40 mm,47 mm,52 mm,62 mm,72 mm,80 mm,85 mm,90 mm
Width (mm)
14,16,20,25,26
Shaft Diameter (mm)
8,10,12,15,17,20,25,30,35,40,45,50
|
Choose your option
Roller Follower Separable w/IR ZZ Cylindrical Outer Ring
Roller Follower Separable w/IR ZZ Cylindrical Outer Ring
SKU: A0156719
Type: Roller Follower
Hurry up, only 8 items left in stock.
The Roller Follower Separable w/IR ZZ Cylindrical Outer Ring by IKO is a Roller Follower shielded. It is used as a follower bearing for cam mechanisms and for linear motions of conveying equipment and is suitable for high-speed rotations with oil lubrication.
Spotlight picks (4)
Black Friday • Cyber Monday Sale: FIX
Save up to 60% sitewide on tools, PPE, workshop gear, and more
Black Friday • Cyber Monday Sale: BUILD
Save up to 60% sitewide on tools, PPE, workshop gear, and more
Black Friday • Cyber Monday Sale – CREATE
Save up to 60% sitewide on tools, PPE, workshop gear, and more
Black Friday • Cyber Monday Sale – MASTER
Save up to 60% sitewide on tools, PPE, workshop gear, and more
- Choosing a selection results in a full page refresh.
- Opens in a new window.

