FYH Pillow Block Bearings, Flange Housings & Ball Bearing Inserts
FYH precision bearings, manufactured in Japan with decades of proven heritage in industrial machinery, deliver reliable performance in food processing, aggregate crushing, mining conveyors, textile spinning, and heavy equipment environments.
The product line spans radial ball bearings (ZZ sealed, 2RS sealed, open designs), pillow blocks, flange-mounted housings, and cylindrical roller bearings — all engineered for extended service life under moderate-to-heavy radial loads.
Housing materials include cost-effective cast iron (excellent heat dissipation) and SG iron (ductile cast iron, shock-resistant for impact-load environments).
Bore sizes range 6mm to 140mm; sealed versions eliminate greasing frequency, reducing maintenance labour in difficult-access locations.
AIMS Industrial offers the complete Australian FYH bearing range with Australia-wide delivery for quarries, fabricators, maintenance teams, and equipment manufacturers seeking durable, cost-effective rolling element solutions.
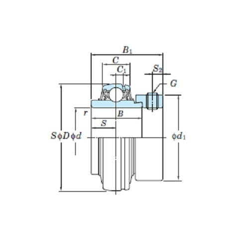
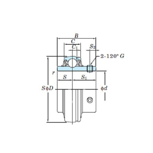
FYH Pillow Block & Flange Cast Iron Bearing Housings
FYH bearing selection process balances multiple factors: bore size, seal type (open/ZZ/2RS), housing material (cast iron/SG iron), speed rating, load class, and environment (dust, moisture, temperature extremes). Open (grease-packed) seals suit dry workshops; rubber seals (2RS design) provide sealed lubrication requiring no maintenance across 5,000-8,000 operating hours.
Bore size ranges 12-80mm with static load capacity 2.5-15 kN depending on housing material (cast iron, SG iron, spheroidal graphite iron for ultra-high loads).
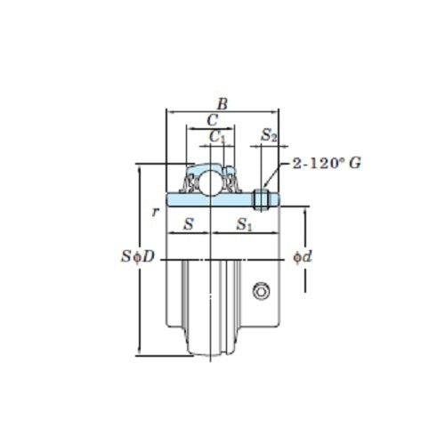
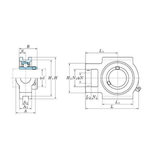
- FYH Light Pillow Block Cast Iron Bearing Housing — P200 Series: Compact cast iron pillow block designed for light-to-medium machinery duty mounting 6000/6200 series ball bearing inserts. 4-bolt mounting base fits standard machine tool footprints and conveyor frame spacing. Zinc-plated steel construction resists corrosion in normal indoor/workshop environments. Load rating 1-2 tonnes per bearing depending on insert selection. Mounting bolt circle 100mm standard allows quick replacement during bearing maintenance. Cost-effective housing option for non-critical applications. Used in small production machinery, manual lathes, and benchtop equipment. Cast iron housing (SG iron grades available) supports bore sizes 12-50mm with static load capacity 2.5-8 kN. Lithium-complex grease (NLGI Grade 2) enables 5,000-hour relubrication intervals under continuous operation. Compact cast iron housing supports bore 12-50mm. Static load capacity 2.5-8 kN; dynamic load 3.5-12 kN at rated speeds. Lithium-complex grease (NLGI Grade 2) enables 5,000-hour relubrication intervals. Standard sealing is grease-packed (open); 2RS sealed versions available for dusty environments.
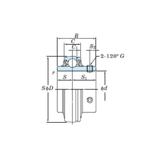
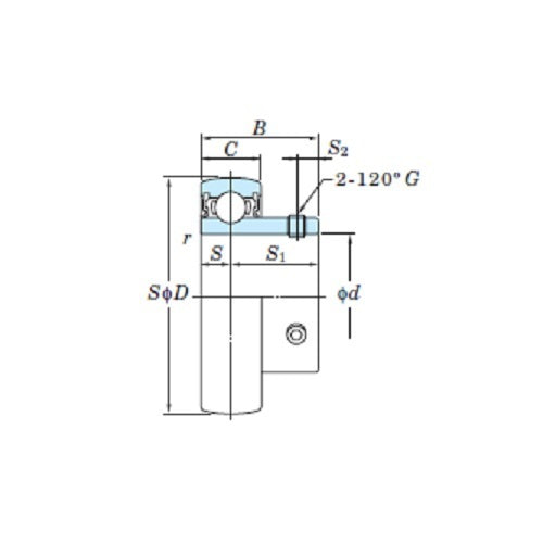
- FYH Light Two-Bolt Flange Cast Iron Bearing Housing — FL200: Two-bolt flange-mounted bearing housing suitable shaft-to-frame mounting without separate pillow block frame. Compact design accommodates tight equipment spacing. Cast iron body with zinc-plated bolts and fasteners. Compatible with standard FYH 6000/6200 series inserts. Flange bolt circle fits standard 80-100mm spacing on machinery frames. Lightweight alternative to pillow blocks for mobile equipment and portable applications. Two-bolt flange configuration mounts directly to motor feet or gearbox housings. Sealed 2RS bearing design eliminates maintenance across 5,000-8,000 operating hours at standard speeds (1,500-3,000 RPM). Two-bolt flange mounts directly on motor feet or gearbox housings (M10/M12 bolting). Sealed 2RS bearing design eliminates maintenance across 5,000-8,000 operating hours. Standard speed rating 1,500-3,000 RPM for industrial duty. C2 internal bearing clearance (standard); C3 available for higher speed operation.
- FYH Light Four-Bolt Flange Cast Iron Bearing Housing — F200: Four-bolt flange-mounted housing providing robust load distribution vs. two-bolt design. Compatible with FYH bearing inserts. Suitable for higher-speed or higher-load applications (2-5 tonne load capacity depending on insert). Cast iron material provides thermal stability and long service life. Zinc-plated fasteners included. Standard flange 100-125mm bolt circle. Four-bolt configuration distributes mounting loads across larger footprint, reducing assembly stress on thin-wall machinery frames. Bore 12-40mm; maximum speed rating 3,000 RPM. SG iron housings (optional) increase load capacity 20-30% versus standard cast iron.
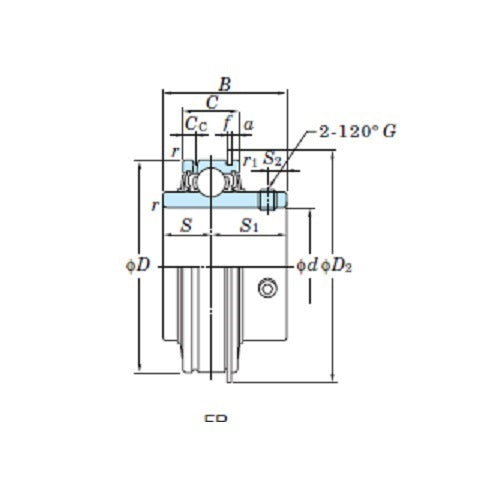
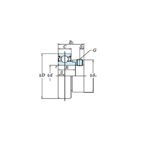
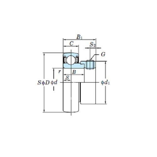
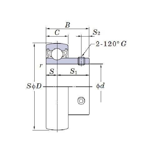
FYH Ball Bearing Inserts — UC, SA & SB Series
Grease-packed sealed units (2RS design) require no maintenance for 5,000-8,000 operating hours; open bearings allow customized lubrication schedules for temperature-critical or food-processing applications. The 2RS seal configuration traps lithium-complex grease (NLGI Grade 2) within bearing cavity, eliminating periodic regreasing chores across 5,000-8,000 operating-hour maintenance intervals. Internal bearing clearance C2 (standard) balances axial play with preload; C3 suits high-speed applications above 3,000 RPM.
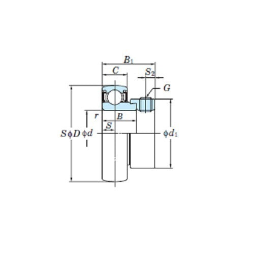
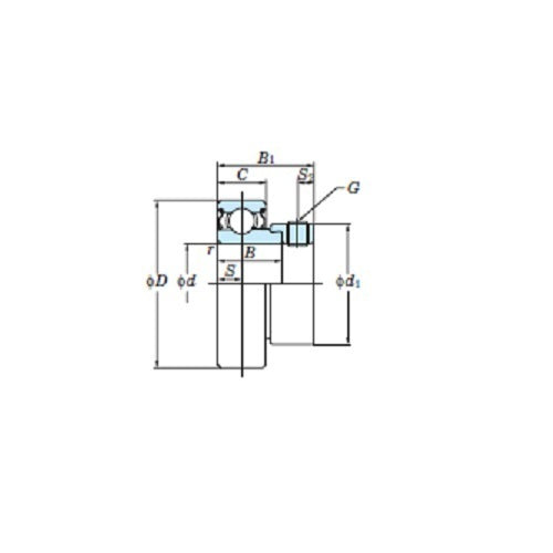
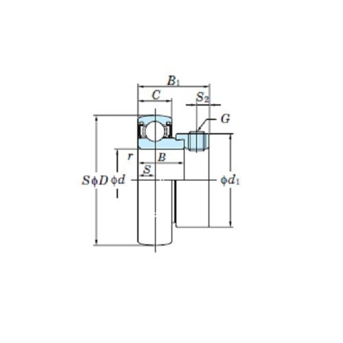
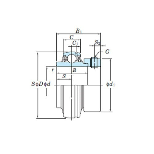
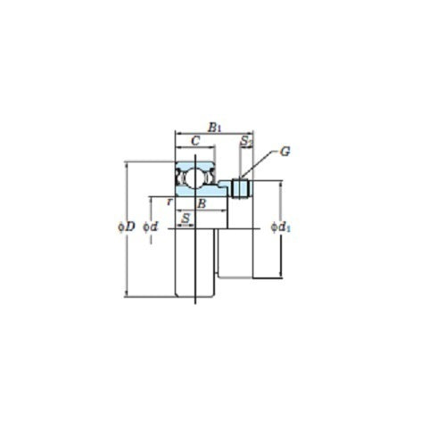
- FYH Ball Bearing Insert UC205-16L2 — Grub Screw, 1" Shaft: Sealed ball bearing insert mounted on 1-inch (25.4mm) shaft using set-screw locking mechanism. Internal clearance optimized for 25mm bore. Sealed design (2RS) eliminates maintenance regreasing. Suitable for general machinery, small conveyors, and workshop equipment. Fits standard FYH light pillow blocks. Installation depth 25mm; mounting straightforward with hex wrench. Load rating 1.5 kN dynamic. Grub screw locking mechanism prevents axial movement on rotating shafts. Operating speeds reach 3,000 RPM with C2 internal bearing clearance (standard). 2RS rubber seals provide sealed lubrication with no regreasing required. Sealed ball bearing insert with 1" (25.4mm) shaft bore and grub screw locking mechanism preventing axial drift on rotating shafts. Operating speeds to 3,000 RPM with sealed 2RS design requiring no regreasing. Housing bore 52mm; static load rating 7.5 kN; dynamic load rating 12 kN.
- FYH Ball Bearing Insert SA202-10 — Eccentric Collar, 5/8" Shaft: Eccentric collar adjustment feature enables precise bearing alignment without shim washers — critical for pulley and belt-driven machinery. 5/8-inch (15.9mm) shaft bore. Sealed bearing insert (2RS) requires no maintenance. Eccentric collar provides ±3mm adjustment for belt tensioning without dismounting. Load rating 1.2 kN. Installation time reduced 50% vs. traditional shim adjustment.
- FYH Imperial Ball Bearing Inserts UC200TRL — Triple Lip Series: Triple-lip sealed design (triple-contact seal on bearing) providing superior dust protection for dirty workshop, quarry, and outdoor equipment duty. Imperial bore sizing (various fractional inch sizes available). Suitable for conveyors, fans, and rotating machinery exposed to dust and moisture. Load rating 1.0-1.5 kN depending on bore size. Sealed design eliminates scheduled maintenance. Triple-lip sealing (primary, secondary, dust excluder) prevents contaminant ingress in wet manufacturing environments. Imperial bore sizes (5/8", 3/4", 7/8", 1" shaft) integrate directly into North American equipment inventories. Sealed lubrication design requires no maintenance interval regreasing.
- FYH Imperial Ball Bearing Inserts SB200 Series: Standard sealed ball bearing inserts with imperial bore sizing (1/2-inch, 5/8-inch, 3/4-inch typical). Housed in standard SB flanged units for shaft-mounted applications. 2RS seals standard. General-purpose inserts for workshop machinery, agricultural equipment, and light industrial duty. Cost-effective stock items for bearing replacement. Standard sealed ball bearing inserts for commercial duty applications. Fractional-inch bore sizes (5/8" to 1.5") support retrofit applications on legacy equipment. Grease-packed 2RS sealing accommodates shop floor dust and moisture exposure.
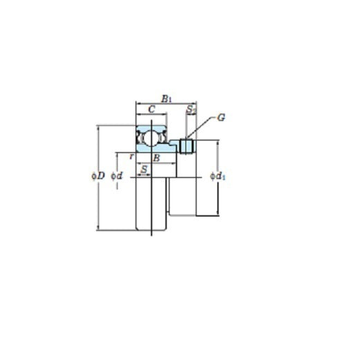
- FYH Wide Inner Ring Bearing with Grub Screw — Metric: Wide inner ring bearing insert (bore sizes 10-25mm metric) accommodates shoulder bolts and unusual shaft configurations. Grub screw (set screw) locking prevents axial movement during rotation. Internal clearance optimized for metric shaft sizing. Sealed design (2RS). Used in machinery with non-standard shaft arrangements or where axial constraint matters. Wide inner ring bearing (greater axial contact surface) distributes load across larger area, enabling higher speed operation or extended bearing life in high-cycle applications. Metric bore 10-40mm; grub screw locking prevents axial play. Standard sealing (grease-packed); 2RS sealed versions for dusty environments.
Bearing Insert Installation and Adjustment: Pillow block and flange-mounted FYH inserts accommodate standard 6200/6300 series ball bearings requiring only housing and mounting bracket selection. Eccentric collar adjustment feature (SA202 series) enables bearing centering without shim washers reducing installation time significantly. Grease-packed sealed inserts (2RS) require no maintenance for 5,000-8,000 operating hours at normal speeds; however initial bearing inspection after 100-200 hours operation confirms proper installation and no unusual noise indicating installation damage.
Temperature monitoring during run-in period (infrared measurement) confirms bearing temperature stabilizing around 50-70C; elevated temperatures suggest bearing misalignment or inadequate grease. Shaft runout accuracy affects bearing life significantly — eccentric shafts (>0.5mm TIR) cause premature wear requiring shaft grinding before installation. Replacement bearing schedule varies installation: continuous duty machinery (conveyors, pumps) warrant bearing replacement every 2-3 years regardless visible wear; intermittent duty equipment (seasonal machinery, backup systems) extends intervals to 5+ years.
Order FYH at AIMS Industrial and explore our Bearings, Power Transmission, and IKO bearing collections.
Order online, Contact our team for assistance or to Request a quote.

