Search result
-
Sutton R109 Adjustable Reamer Set (16 Piece with Pilots (M-A to H))
Machining Tool by Sutton Tools
$5,272.87
-
Sutton R109 Adjustable Reamer Set - Reamer Only (11 Piece (M-A4 to M-H))
Machining Tool by Sutton Tools
$3,614.24
-
Sutton R109 Adjustable Reamer Set - Reamer Only (9 Piece (M-A to M-I))
Machining Tool by Sutton Tools
$3,326.04
-
-
-
Buy KCP Products Online in Australia
KCP Grid Couplings, Gear Couplings & Flexible Couplings
KCP is a specialist power transmission manufacturer whose couplings connect motors to driven equipment in virtually every industrial sector — from mine-site conveyors and processing plant pumps to food production lines and water treatment facilities.
Couplings are one of those critical-but-invisible components: when they work, nobody notices them; when they fail, the entire drivetrain stops.
KCP engineering focuses on the factors that prevent unplanned downtime — precise shaft alignment tolerance, high torque capacity relative to coupling size, and misalignment accommodation that protects bearings and seals in the connected equipment from premature wear.
The KCP range available through AIMS Industrial spans three coupling families, each engineered for different torque, speed, and misalignment requirements.
Taper grid couplings use a spring-steel grid element that flexes under load to absorb shock and vibration — the preferred choice for pump and compressor drives where torsional shock protection extends seal and bearing life.
Gear couplings transmit higher torques in a more compact envelope, suited to heavy conveyor drives, crushers, and mill applications.
KW flex couplings provide a lightweight, maintenance-friendly option for moderate-torque drives where ease of element replacement minimises downtime during scheduled maintenance windows.
AIMS Industrial carries KCP coupling hubs, grid elements, covers, seal kits, and complete coupling assemblies for Australia-wide delivery.
Our power transmission team understands that a coupling failure on a critical drive can halt an entire production line, which is why we offer individual replacement components — not just complete assemblies.
If your grid element has fatigued or your gear coupling seal kit needs replacing, you can order the specific part you need without buying a full coupling. This component-level availability is particularly valuable for maintenance teams managing large installed bases of KCP couplings across multiple drives and sites.
From mining operations running heavy-loaded conveyor systems through to water utilities driving large centrifugal pumps, KCP couplings provide the reliable mechanical connection between motor and machine.
Maintenance engineers appreciate the taper-fit hub design that simplifies installation and removal without specialist tooling, while procurement teams value the interchangeability of grid elements and seal kits across the KCP size range.
Whether you are specifying couplings for a new drivetrain design or sourcing replacement components for an existing installation, AIMS Industrial provides the support and stock depth to keep your rotating equipment running with minimal unplanned interruption.
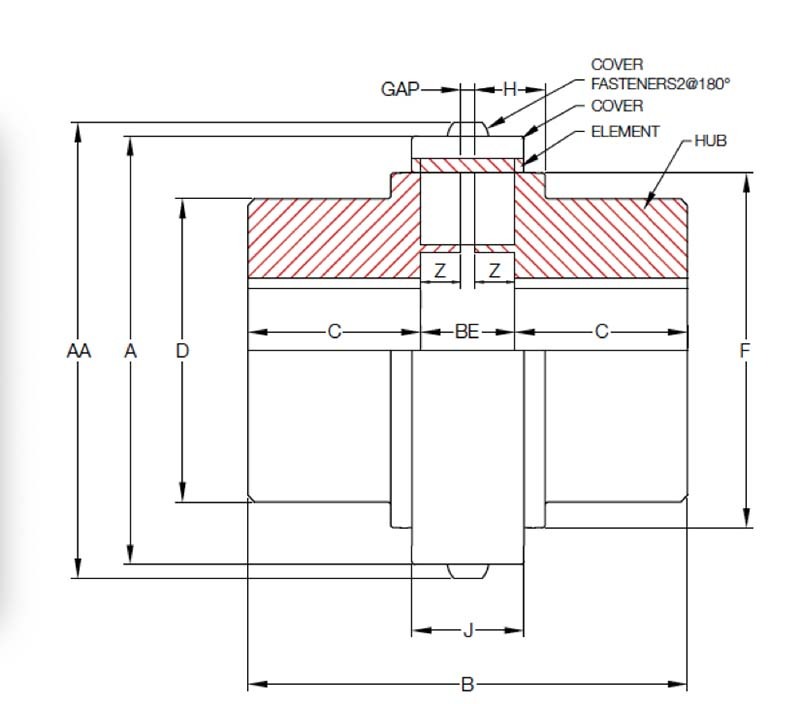
KCP Taper Grid Couplings — Hubs, Grid Elements & Covers
Taper grid couplings are KCP's flagship product line and the coupling type most commonly specified for pump, compressor, and fan drives across Australian industry.
The design principle is elegant — a serpentine spring-steel grid element sits between two flanged hubs and flexes under torsional load, absorbing shock and vibration that would otherwise be transmitted directly to motor bearings and driven-equipment seals.
This damping effect extends the service life of the entire drivetrain, not just the coupling itself. KCP taper grid couplings use a tapered hub bore with keyway that provides a secure, concentric shaft fit and allows removal without a puller in most installation scenarios.
- KCP Grid Coupling Hub: Precision-machined taper grid coupling hub available in a range of bore sizes to suit standard shaft diameters. The tapered bore with keyway provides a secure interference fit on the shaft, transmitting torque without fretting or slippage. Manufactured from high-grade cast steel with a machined flange profile that locates the grid element accurately. Supplied individually so maintenance teams can replace a single worn hub without purchasing a complete coupling assembly.
- KCP Taper Grid Coupling Grid Element: Replacement spring-steel grid element for KCP taper grid couplings. The grid is the flexible element in the coupling — it absorbs torsional shock, accommodates angular and parallel misalignment, and is the designed-to-wear component that protects the hubs and connected equipment. Stocking spare grid elements ensures rapid replacement during scheduled maintenance shutdowns without waiting on long lead times.
- KCP Horizontal Split Aluminium Cover Taper Grid Coupling: Lightweight aluminium cover that encloses the grid element and retains the lubrication grease essential for grid life and damping performance. The horizontal split design allows the cover to be removed for grid inspection and replacement without disturbing the hubs or shaft alignment — a significant time saving during maintenance interventions on pumps and drives where alignment is critical.
- KCP Vertical Split Steel Cover Taper Grid Coupling: Heavy-duty steel cover for taper grid couplings operating in harsh environments where aluminium covers may not provide sufficient mechanical protection. The vertical split configuration suits installations where horizontal access is restricted. Steel construction withstands impact, abrasive dust, and high ambient temperatures encountered in mining, quarrying, and heavy processing applications.
KCP Gear Couplings & KW Flex Couplings
For applications that demand higher torque capacity in a compact envelope, or where element replacement needs to be fast and tool-free, KCP offers gear couplings and KW flex couplings.
Gear couplings use meshing crowned teeth to transmit torque and accommodate misalignment — they handle the highest torques of any coupling type relative to their size, making them the default choice for heavy conveyor head drives, crusher inputs, and mill pinion drives.
KW flex couplings take a different approach, using a replaceable elastomeric or composite element that provides vibration isolation and can be swapped out in minutes without moving the motor or driven equipment — a maintenance-friendly design for moderate-torque drives on auxiliary pumps, fans, and light conveyors where scheduled element replacement keeps the drivetrain running without unplanned interruption.
- KCP Gear Coupling G20 — Rigid Hub: Rigid hub component for the KCP G20 gear coupling series. Machined from high-strength alloy steel with precision-ground gear teeth that mesh with the flanged sleeve to transmit torque. The rigid hub mounts directly on the shaft and provides the fixed reference point in the coupling assembly. Available in standard bore sizes with keyway to suit common motor and gearbox shaft diameters.
- KCP Gear Coupling G20 — Flanged Sleeve: Flanged sleeve with internally crowned gear teeth that engages with the rigid hub to form the torque-transmitting joint. The crowned tooth profile accommodates angular misalignment between the connected shafts while maintaining full torque capacity. The flanged face bolts to the opposing sleeve to complete the coupling assembly, with a gasket seal retaining the gear lubricant inside the coupling.
- KCP Gear Coupling G20 — Crown Gear Hub: Crown gear hub with externally crowned teeth designed to mesh with the flanged sleeve in the G20 gear coupling assembly. The crowned profile allows the hub to accommodate angular and axial misalignment without generating the edge-loading stresses that would cause premature tooth wear on straight-cut gear couplings. Essential for installations where precise shaft alignment is difficult to maintain.
- KCP Gear Coupling G20 — Seal Kit: Complete seal kit for the G20 gear coupling series, including O-rings, gaskets, and fastener hardware required to reseal the coupling during routine maintenance. Gear coupling seals prevent lubricant leakage and contamination ingress — a failed seal leads to rapid tooth wear and eventual coupling failure. Stocking seal kits ensures maintenance teams can reseal couplings during planned shutdowns without waiting on parts supply.
- KCP KW Flex Coupling Hub — KW10 Type: Hub component for the KW10 flexible coupling, machined from steel with a standard taper bore and keyway. The hub flange profile is designed to engage with the KW flex coupling element, providing a simple, reliable torque path from shaft to element. The compact KW10 size suits fractional to low-kilowatt drives commonly found on auxiliary equipment, small pumps, and fan units.
- KCP KW Flex Coupling Element — KW10 Type: Replaceable flexible element for the KW10 coupling that provides torsional flexibility, vibration damping, and misalignment accommodation. The element is the designed-to-wear component — it absorbs vibration and shock to protect the hubs and connected shafts, and can be replaced in minutes without disturbing shaft alignment or removing the hubs. A cost-effective maintenance item that extends the life of connected bearings and seals.
- KCP KW Flex Coupling Cover — KW10 Type: Protective cover for the KW10 flex coupling that guards the flexible element from debris, UV exposure, and mechanical damage. The split cover design allows installation and removal without disturbing the coupling hubs or element, simplifying routine inspection. Also serves as a safety guard preventing contact with the rotating coupling assembly in compliance with workplace machinery guarding requirements.
Shop KCP couplings and power transmission components at AIMS Industrial alongside our Power Transmission, Bearings, and Chain & Sprockets collections.
Order online, Contact our team for assistance or to Request a quote.

